更多相關產品
- LG-GDQ03型城市軌道交通電力牽引控制實驗臺
- LG-GDD03型城市軌道交通列車電氣回路系統教學平臺
- LG-GDM01型地鐵站臺屏蔽門系統模擬實驗實訓裝置
- LG-GDD01型地鐵站臺電源模擬實驗實訓臺
- LG-GDD02型城市軌道車輛輔助電源系統模擬實驗實訓臺
- LG-GDQ01型城市軌道車輛牽引控制系統模擬
- LG-GDQ02型城市軌道車輛牽引電動機實驗實訓裝置
- LG-GDZD02K型城市軌道交通車輛空氣制動模擬系統實驗臺
- LG-GDCZ系列城市軌道交通線路與站場實訓模型清單
- LG-GYXH01型鐵路信號基礎實訓設備
- LG-GDXH01型城市軌道交通道岔信號實訓系統實驗臺
- LGGD-S700K型提速道岔S700K轉轍機實訓演練平臺
- LG-DZDL03型電子電路安裝與調試實訓平臺
- LG-GSDQ01C型初級軌道電氣安裝調試實訓裝置
- LG-GSDQ02型軌道電氣控制安裝調試實訓裝置
- LGJT-DQ01型動車組(CRH3)電氣控制系統安裝與維修實訓
- LGGD-BAS01型 綜合監控系統實驗臺
- LG-GDM002型 屏蔽門控制系統實驗臺
- LGGD-ZM01型 軌道交通車站配電及照明控制系統實訓臺
- LGY-DK03A型電力機車(HXD2B)電氣控制系統安裝與維修實訓考核裝置
- LGY-DK02型動車組(CRH380B)電氣控制系統安裝與維修實訓考核裝置
- LGY-GD01A型動車組電氣控制檢修與調試實訓考核設備
- LGY-GD01C型城鐵列車電氣控制系統檢修與調試實訓考核裝置
- LGY-GD01B型城軌客車調試技能實訓考核裝置
LG-GDD03型城市軌道交通列車電氣回路系統教學平臺

LG-GDD03型 城市軌道交通列車電氣回路系統教學平臺實現了地鐵列車主要電氣回路的電路運行與電路邏輯演示,駕駛室主副控制臺及輔助開關的操作,電氣回路中的故障設置與測試,以及電路控制后的列車動作動畫效果顯示。
一、組成及特點
LG-GDD03型 城市軌道交通列車電氣回路系統教學平臺使用真實走線、真實器件及LED流水燈等方式,真實、直觀、動態的呈現出地鐵列車電氣回路的控制邏輯;使用LED點陣顯示屏與列車電氣回路動作關聯,演示列車升降弓、高斷閉合斷開、列車牽引制動、列車前進后退等動畫效果圖;在電路中設置故障開關和電路測試點,可人為切斷電路回路仿真電路故障,通過工具測量、分析后可排除故障。
(一)真實,即平臺中的控制回路是地鐵列車真實的電氣回路,真實的開關旋鈕。
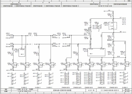
LG-GDD03型 城市軌道交通列車電氣回路系統教學平臺中的控制回路參照列車電氣回路原理圖,使用真實電氣器件及真實連線,完成了一個真實的實驗室列車電氣回路的控制系統。仿真系統涉及的電路是由主要控制和具代表性的26幅電路原理圖組成。
LG-GDD03型 城市軌道交通列車電氣回路系統教學平臺中電氣連接關系是真實的,但是為了適合作為實驗室設備使用,其組成的電氣器件和電氣參數還是做了必要的調整,主要調整如下。
(1)實際電氣回路中的直流110V電壓,仿真系統中調整為直流24V;
(2)實際電氣回路中的各種接觸器、繼電器,仿真系統中均使用線圈電壓為DC24V的小型繼電器代替。
(3)實際電氣回路中的熔斷保護器,仿真系統中使用通斷開關代替。
(4)實際電氣回路中的部分監測單元,仿真系統中由相應電路采集并送往處理單元。
(5)實際電路回路中的電氣開關,仿真系統中使用功能相同的開關器件代替。如鑰匙開關,急停按鈕等等,如下圖所示。
LG-GDD03型 城市軌道交通列車電氣回路系統教學平臺使用真實走線、真實器件及LED流水燈等方式,真實、直觀、動態的呈現出地鐵列車電氣回路的控制邏輯;使用LED點陣顯示屏與列車電氣回路動作關聯,演示列車升降弓、高斷閉合斷開、列車牽引制動、列車前進后退等動畫效果圖;在電路中設置故障開關和電路測試點,可人為切斷電路回路仿真電路故障,通過工具測量、分析后可排除故障。
(一)真實,即平臺中的控制回路是地鐵列車真實的電氣回路,真實的開關旋鈕。
LG-GDD03型 城市軌道交通列車電氣回路系統教學平臺中的控制回路參照列車電氣回路原理圖,使用真實電氣器件及真實連線,完成了一個真實的實驗室列車電氣回路的控制系統。仿真系統涉及的電路是由主要控制和具代表性的26幅電路原理圖組成。
LG-GDD03型 城市軌道交通列車電氣回路系統教學平臺中電氣連接關系是真實的,但是為了適合作為實驗室設備使用,其組成的電氣器件和電氣參數還是做了必要的調整,主要調整如下。
(1)實際電氣回路中的直流110V電壓,仿真系統中調整為直流24V;
(2)實際電氣回路中的各種接觸器、繼電器,仿真系統中均使用線圈電壓為DC24V的小型繼電器代替。
(3)實際電氣回路中的熔斷保護器,仿真系統中使用通斷開關代替。
(4)實際電氣回路中的部分監測單元,仿真系統中由相應電路采集并送往處理單元。
(5)實際電路回路中的電氣開關,仿真系統中使用功能相同的開關器件代替。如鑰匙開關,急停按鈕等等,如下圖所示。

圖1-1 主駕駛控制臺

圖1-2 副駕駛控制臺

圖1-3 回路輔助控制臺

圖1-2 副駕駛控制臺

圖1-3 回路輔助控制臺
(二)直觀,即平臺上呈現的電路原理圖是由相關教學資源中電路圖為模板,嚴格按照原圖中的比例放大而來。電氣回路由LED燈等間隔排列組成,繼電器、旋鈕、模塊單元也用LED燈表示。如下圖舉例,圖2-1為教材中提供的一張電路原理圖,圖2-2為實驗平臺中的LED燈組成的原理圖。

圖2-1 教材中的原圖

圖2-2平臺中的LED燈組成的原理圖
(三)動態,平臺上由LED組成的原理圖面板會根據當前實際控制回路的動作,動態地反應出電路狀態和邏輯關系,準確的呈現電氣回路中電氣段有無電,繼電器線圈得失電、觸點的斷開閉合及電氣段中電流的走向等狀態。

圖3-1 LED原理圖1顯示效果

圖3-2 LED原理圖2顯示效果
(四)平臺提供一幅長條型LED點陣顯示屏,用來演示列車升降弓、高斷閉合斷開、列車牽引制動、列車前進后退等主要動作動畫。當控制回路中符合升弓控制條件,顯示屏則演示升弓的動畫;當控制回路中符合列車前進牽引的條件,顯示屏則演示列車加速前進的動畫,若列車前行過程中牽引條件丟失,則演示列車制動或緊急制動的動畫。如下圖所示,列車升弓后效果圖。
(五)系統中設計有一個獨立加鎖的開關掛箱和多幅電路測試點面板。掛箱里面設置了幾十個通斷開關,每個通斷開關對應一個故障設置點,開關閉合表示線路通無故障,開關斷開表示線路斷有故障;電路測試點面板中,引出了列車電氣回路中主要繼電器的觸點測試點,可供學生測試觸點通斷或有無電。如下圖所示,圖5-1 測試點面板。
(五)系統中設計有一個獨立加鎖的開關掛箱和多幅電路測試點面板。掛箱里面設置了幾十個通斷開關,每個通斷開關對應一個故障設置點,開關閉合表示線路通無故障,開關斷開表示線路斷有故障;電路測試點面板中,引出了列車電氣回路中主要繼電器的觸點測試點,可供學生測試觸點通斷或有無電。如下圖所示,圖5-1 測試點面板。

圖5-1 測試點面板
二、系統現場拍攝圖片

圖6-1 學校及地鐵專業人員參觀

圖6-2 實驗平臺正面圖



